專業制造碳鋼/不銹鋼旋振篩
—免費提供篩分解決方案—

產品介紹:不銹鋼旋振篩是采用不銹鋼材質制作而成的旋振篩,常用的有耐腐蝕性更好的316L不銹鋼或者304不銹鋼。耐腐蝕性好、干凈衛生、不污染物料,適用篩分過濾
產品特點:規格可任意配置,篩分細達500目(28μm),過濾細達5μm,無粉塵飛揚,無網孔堵塞。
應用范圍:主要應用食品、醫藥行業的粉、粒、液等物料,如:面粉、中藥粉、糖粉、淀粉、食鹽、米粉、奶粉、豆漿、蛋粉、醬油、果汁、油漆等。
電話:0373-2849 333
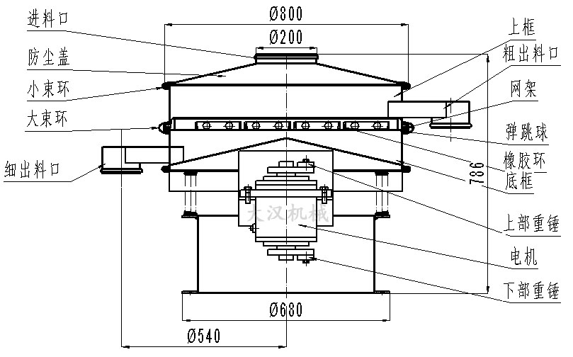
不銹鋼旋振篩采用304或316不銹鋼材質,密封件、彈跳球等配件選用硅膠材質,具有干凈衛生、耐腐蝕、耐高溫、不易生銹、易于清洗消毒等特點,在食品、醫藥、化工行業應用較多。

1、采用304不銹鋼或316不銹鋼材質制成,耐腐蝕性、耐高溫、耐低溫、不易生銹、不污染物料。
2、專用立式振動電機為激振源,無機械傳動,能效高,易調整。
3、篩網壽命長,更換便捷,規格可任意配置,篩分細達500目(28μm),過濾細達5μm。
4、設計精巧耐用,噪音低,可連續作業,物料可360度方向自動排出。
5、整機封閉性能好,粉末不飛揚,液體不泄露,可單、多層同時使用,最高可達5層;
6、部件結構無死角,拆裝便捷,易于徹底清洗、消毒。



不銹鋼旋振篩利用YZUL立式振動電機作為激振源,通過振動電機上下兩端的偏心重錘將旋轉運動轉變為水平、垂直、傾斜的三次元運動,并傳遞到旋振篩的篩面上;物料通過入料口進入設備內,根據不同物料篩分要求,物料經過1-5層采用不同目數的金屬編織篩網的篩分層,在這個過程中,位于各層的篩網下的清網裝置(彈跳球)通過頻率振動不斷撞擊篩網,使篩網上層物料能夠順暢的透網篩分,并有效解決了物料堵網問題出現,不同目數的物料通過各層對應目數的篩網后在各層的出料口排出,實現篩選除雜或過濾分級的目的。調節上、下兩端的相位角,可以改變物料在篩面上的運動軌跡。
| 型 號 | DH-600 | DH-800 | DH-1000 | DH-1200 | DH-1500 | DH-1800 | DH-2000 |
| 直徑mm | Φ600 | Φ800 | Φ1000 | Φ1200 | Φ1500 | Φ1800 | Φ2000 |
| 篩網面積m | 0.24 | 0.45 | 0.67 | 1.0 | 1.6 | 2.43 | 3.01 |
| 篩網規格(目) | 2-500 | 2-500 | 2-500 | 2-500 | 2-500 | 2-500 | 2-500 |
| 進料粒度mm | <Φ10 | <Φ15 | <Φ20 | <Φ30 | <Φ10 | <Φ15 | <Φ20 |
| 振次rpm | 1500 | ||||||
| 有效篩面直mm | Φ560 | Φ760 | Φ930 | Φ1130 | Φ1430 | Φ1760 | Φ1960 |
| 層數 | 1-5 | ||||||
| 功率Kw | 0.25 | 0.55 | 0.75 | 1.1 | 1.5 | 2.2 | 3 |





化工行業:樹脂、涂料、工業藥品、化妝品、油漆、中藥粉等。
食品行業:糖粉、淀粉、食鹽、米粉、奶粉、豆漿、蛋粉、醬油、果汁等。
金屬、冶金礦業:鋁粉、鉛粉、銅粉、礦石、合金粉、焊條粉末、二氧化錳、電解銅粉、電磁性材料、研磨粉、耐火材料、高嶺土、石灰、氧化鋁、重質碳酸鈣、石英砂等。
公害處理:廢油、廢水、染整廢水、助劑、活性碳等

| 原料 | 比重 | 網目 | 方法 | 產量(kg/hr IT/hr) | 推薦型號 |
| 葡萄糖粉 | 0.8 | 6月20日 | 干 | 2000kg | DH-1200-2S |
| 小麥淀粉 | 1 | 250 | 濕 | 3200 IT | DH-1200-1S |
| 面粉 | 0.6 | 24 | 干 | 1500kg | DH-1000-1S |
| 酵母液 | 0.5 | 32 | 濕 | 8000 IT | DH-1000-1S |
| 米粉 | 0.5 0.8 | 100 | 干 | 300kg | DH-1000-1S |
| 醬油 | 1 | 100 | 濕 | 6500 IT | DH-1200-1S |
| 食鹽 | 1.2 | 30/80 | 干 | 5000kg | DH-1500-1S |
| 花粉 | 0.4 | 12 | 干 | 100kg | DH-1500-1S |
| 豆腐 | 1 | 120 | 濕 | 2500 IT | DH-1000-1S |
| 甘味料 | 0.7 | 40/80 | 干 | 320kg | DH-800-2S |
| 粗砂糖 | 1.2 | 12 | 干 | 8000kg | DH-1500-1S |
| 鳳梨汁 | 1 | 100 | 濕 | 3000kg | DH-1000-1S |
| 脫脂奶粉 | 0.57-0.7 | 24 | 干 | 3000kg | DH-1200-1S |
| 全脂奶粉 | 0.57-0.8 | 12 | 干 | 1600kg | DH-1000-1S |
| 柳橙汁 | 1 | 5.3㎜ | 濕 | 2000kg | DH-1000-2S |
| 米糠 | 0.5 | 16 | 干 | 500kg | DH-800-1S |
| 糖粉 | 0.5-0.8 | 100 | 干 | 200kg | DH-800-1S |
| 玉米淀粉 | 0.6 | 40 | 干 | 1600kg | DH-1000-1S |
| 葉綠素 | 0.25-0.4 | 48/200 | 干 | 100kg | DH-800-2S |
| 中藥粉 | 0.8 | 80 | 干 | 550kg | DH-800-1S |
| 顆粒 | 0.7 | 20/60 | 干 | 800kg | DH-800-2S |
| 中藥提取液 | 1 | 20 | 濕 | 2000IT | DH-800-1S |
| 農藥 | 80/150 | 干 | 1400kg | DH-1000-1S |
Copyright 2008-2019 旋振篩廠家-新鄉市大漢振動機械有限公司 All Rights Reserved 版權所有
網站備案號:豫ICP備09002479號-33